EMPRESA | Términos y condiciones | Privacidad | BARCELONA | MADRID | Contacte | Mapa del sitio
© 2012 INYDEL  |  info@inyde.es

NUESTRAS OFICINAS:
BARCELONA +34 936917404     MADRID +34 916470074
Siguenos por »
Control de impedancia
 
Calculamos el ancho de pista y gap dependiendo del tipo de línea, construcción de la tarjeta y la impedancia requerida.
 
Línea Microstrip
Línea Stripline
Par diferencial Microstrip con GND en capa inferior.
Par diferencial Stripline con GND en capas adyacentes.
Par Diferencial  Microstrip apantallado en capa inferior y rodeado por GND.
Par Diferencial Stripline apantallado en capas adyacentes y rodeado por GND.
a) RUTADO DE PARES DIFERENCIALES. En tarjetas de alta velocidad la eliminación de armónicos no deseados obliga al rutado de parejas de líneas, las cuales son tratadas como una sola. El ancho de estos pares diferenciales y su gap es calculado directamente por nuestro software.
b) TRATAMIENTOS DE LÍNEAS MICRO STRIP. Diversas señales como pueden ser las de reloj, video, RF, etc. requieren un rutado especial. El ancho de este rutado vendrá definido por la impedancia requerida del circuito y espesores y materiales a utilizar.
c) TRATAMIENTO DE LÍNEAS STRIP LINE. Otras veces es preferible utilizar esta otra opción donde la línea a tratar va apantallada en las capas adyacentes.
d) CÁLCULO DE LÍNEAS COPLANARES. Nuestras herramientas calculan en todo momento los datos necesarios para rutar dichas líneas así como el gap a mantener respecto al plano de masa.
 
 
 
 
 
 
 
Rutado pin a pin sin stubs
En multitud de ocasiones  se necesita que los datos lleguen en cierto orden a los diversos componentes de la tarjeta.
Ecualización de pistas y buses
Debido a la alta velocidad en la transmisión de datos, se hace necesario que estos lleguen al mismo tiempo a todos los dispositivos del circuito y por esa razón se hace obligatorio que todas las pistas sean de igual longitud. Para ello nuestro software se encarga de añadir acordeones en las pistas más cortas hasta que conseguir que todas sean de igual longitud, con la tolerancia que le especifiquemos.
Control EMC/EMI
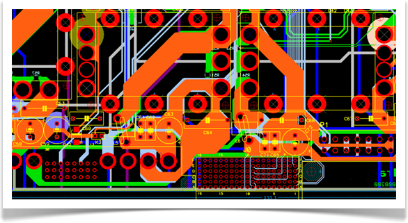
Contamos con experiencia a la hora del rutado de masas, separación entre zonas analógicas y digitales, componentes emisores de ruido, así como colocación de planos y rellenos de masa, cosido de vias, rutado de desacoplos y todo lo necesario para rutar correctamente una fuente conmutada donde la alta frecuencia puede producir efectos indeseados, etc.
Rutado de RF
A la hora de trazar una línea de RF sabemos lo importante que es que dicha línea vaya lo más recta posible, sin quiebros, ángulos o pasos de cara. Los cambios de dirección de 90º deben de hacerse de una manera específica añadiendo un chaflán a 45º en el ángulo exterior de dicha línea. Los cambios de cara, aunque no son nada recomendados, pueden realizarse con un apantallamiento especial. Muchas veces se utilizan los semirrígidos para evitar grandes longitudes de pista. No olvidamos la importancia del cosido a masa de las vías, construyendo si es necesario tabiques de masa en el interior de la tarjeta. Realizamos blindajes y tenemos en cuenta las recomendaciones que muchos fabricantes de componentes suelen dar en el data sheet de sus componentes para un mejor funcionamiento y adaptación de impedancias.
Diseño con microvias, vias ciegas y/o enterradas
En ocasiones la complejidad del diseño o el uso cada vez más habitual de BGAS de paso 0.4, 0.5 y 0.65mm obliga al uso de microvías láser para poder conectar dicho componente. También se pueden utilizar junto a vias ciegas y enterradas. La manera de llevar estas conexiones de los BGAS de paso pequeño a capas internas es con las vias ciegas y enterradas.
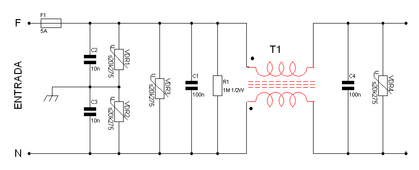
Tarjetas de potencia
Con la corriente que circula por una línea y la tensión existente calculamos el ancho de pista y la separación respecto a otra parte del cto. Si se necesita, duplicamos las pistas por varias caras o aconsejamos aumentar el espesor de cobre en cada capa. Manteniendo una separación de 1mm por cada 100v descartamos cualquier salto de arco eléctrico entre pistas. Para el ancho de pistas en longitudes cortas con aplicar una sencilla regla de 0.5mm por Amperio es suficiente. Para pistas de mayor longitud es conveniente ir a 1mm por Amperio para minimizar la caída de tensión que pueda producirse por la resistencia de la pista.
Añadido de resistencias de terminación de línea
Sabemos que hay líneas que deben acabar con una resistencia para tener una buena adaptación de impedancias.
Rutado de señales sense
Tomamos esta muestra del centro del plano o zona de cobre que queremos muestrear y la aislamos del resto de la alimentación o plano hasta llevarla al componente que la mide
 
 
 
 

   Diseño de PCB's
    Rutado muticapa con micro-BGA´s
    Calculo de Impedancia
    Ecualización de Buses
    Rutado de RF
    Rutado de Pares Diferenciales
    Rutado con microstrip y stripline
    Rutado en Alta Velocidad y líneas LDVS
    Microvias, vias ciegas y enterradas
    Control EMI


    Fabricación y Montaje
    FR4 en varios Tg, Rogers, poliamida, Al
    Circuitos Flexibles
    Acabados oro, estaño, plata
    Montaje de BGA, rayos X
    Prototipos y pequeñas series

    Asesoramiento
    Minimizando los problemas EMI
    ¿Cómo puedo abaratar la fabricación?
    ¿Cómo puedo abaratar el montaje?
    ¿Qué consumo soporta una pista?
    ¿Cuál es el software más idóneo?
    ¿Cómo calculo la impedancia?
    Ofertas detalladas por conceptos


Busca en nuestra WEB »
Rutado multicapa con micro-BGA’s
El aumento de la complejidad de los diseños aumenta a su vez la miniaturización de los circuitos integrados y esto hace que las BGA’s de hace unos años de paso de 1.0 mm vayan quedando obsoletas y cada vez se hace más frecuente encontrarlas con paso 0.65 o 0.5 mm. Para rutar las señales que salen de estos BGA’s se hace necesario tener una clara estrategia en el rutado, siendo imprescindible en muchas ocasiones el rutado con microvias, vías ciegas y  enterradas.
BUENAS PRÁCTICAS EN EL DISEÑO DE PCB´s
RUTADO MULTICAPA CON MICRO-BGA’s
Línea Stripline
Línea Microstrip
Par diferencial Microstrip con GND en capa inferior.
Par diferencial Stripline con GND en capas adyacentes.
Par Diferencial  Microstrip apantallado en capa inferior y rodeado por GND.
Par Diferencial Stripline apantallado en capas adyacentes y rodeado por GND.
Línea Acoplada rodeadada por GND.
Línea Acoplada rodeadada por GND
Ecualización de pistas y buses 2
Ecualización de pistas y buses 3
Rutado de RF  01
Rutado de RF 02
Rutado de alta velocidad y líneas LVDS
Las señales LVDS (Low Voltage Differential Signaling), señalización diferencial de bajo voltaje, son utilizadas
especialmente para el envío de los datos multiplexados a la pantalla, en los televisores y monitores LCD, lo
que reduce sustancialmente el número de líneas de conexión necesarias. Estas señales LVDS deberán
rutarse una al lado de la otra con una distancia entre ellas constante y mínima.
Estas señales LVDS son pistas diferenciales y por tanto deben ser iguales en dimensiones. Las señales LVDS
deberán rutarse sin cambios de cara y normalmente serán de impedancia controlada.
Los anchos de pista y su gap pertinente vienen dados por la siguiente fórmula:    S < 2 x W
Siendo S la distancia entre pistas diferenciales y W el ancho de cada una de las pistas diferenciales.
El par diferencial debería tener a ambos lados zonas de GND. La distancia X a la que deberán estar estas
zonas de GND del par diferencial cumplirá las siguientes expresiones:   X ³ 2 x W      X ³ 2 x S
Diseño con microvias, vias ciegas y-o enterradas
Control EMCEMI  02
Control EMC-EMI 01 - fuente-conmutada-dc-dc-13-18v
Control EMCEMI  03
Control EMCEMI 04 fa conmutada
Tarjetas de potencia
Rutado pin a pin
Ecualización de pistas y buses 1
IMPEDANCIA CONTROLADA 01
IMPEDANCIA CONTROLADA 02
IMPEDANCIA CONTROLADA 03
Back
Next
VACIO
Redes sociales

Redes sociales
Operativas Próximamente